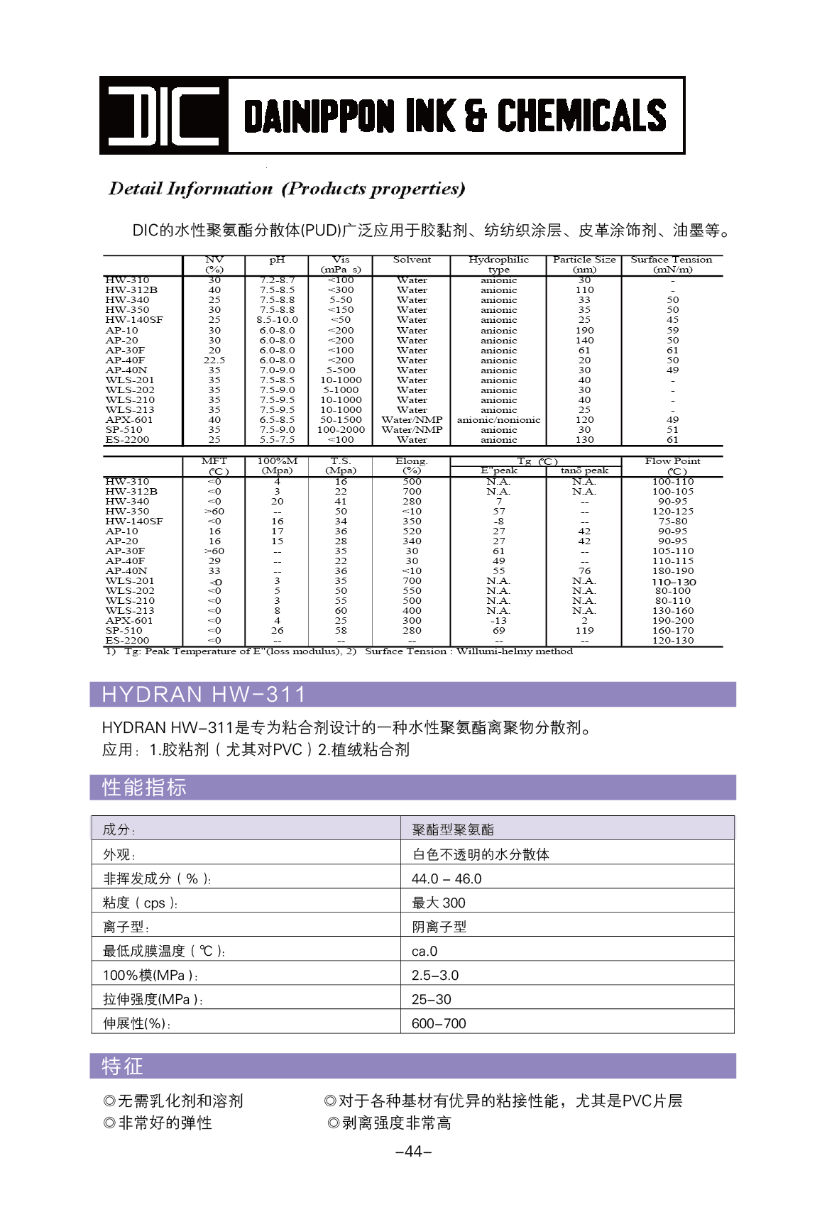
水性聚氨酯(PUD)

免责条款:前述产品之参数、特性及相关数据,可能因生产时间、技术更新等客观因素而与介绍有所不同,具体请与销售人员联系确认,并以最终签订的合同约定为准。